成为脚轮行业的科技领航者、开拓者

客服:021-59993780

技术:18916493910

防撞越障轮100KG-4寸
防撞越障轮100KG-4寸

防撞越障轮100KG-4寸

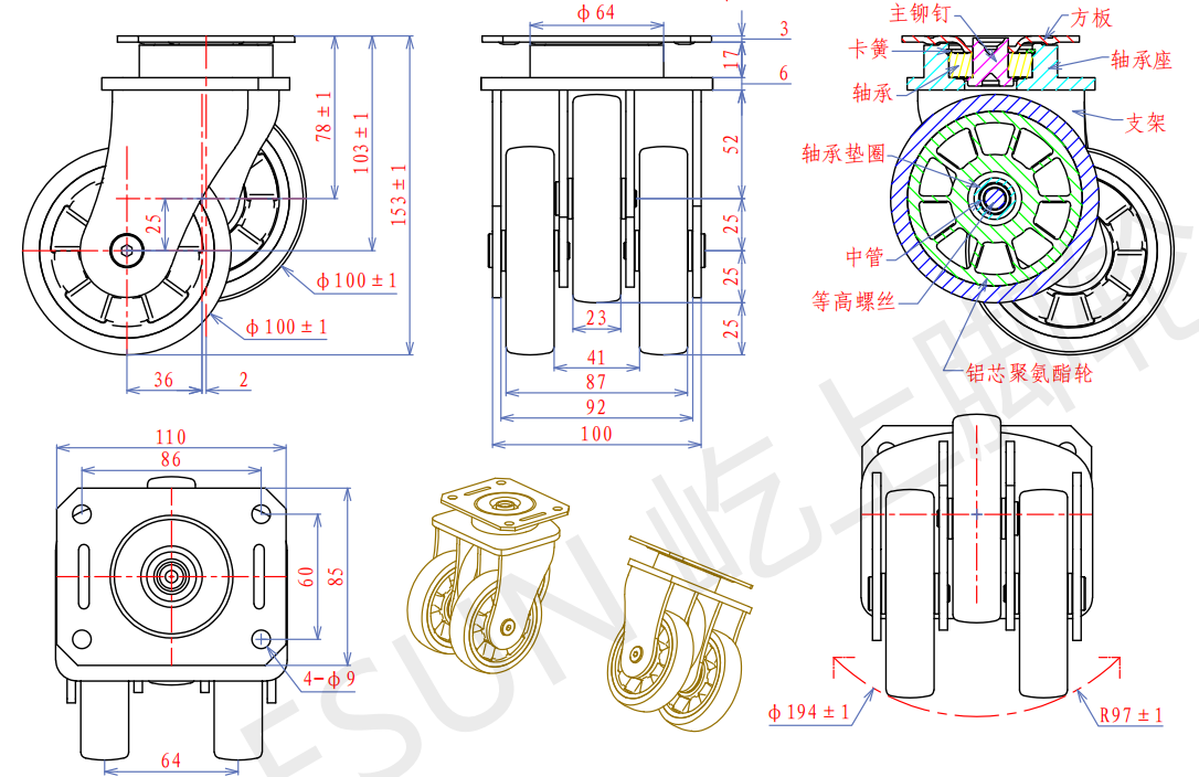
产品货号: YZ02510-100ALCPU132-95A 4寸越障 
产品尺寸:100X23*3mm
载重:100KGS
胎面材质:聚氨酯(CPU)
胎面硬度:95 ShoreA ±3


复制型号

  • 产品描述
  • 产品规格
  • 产品图纸
  • 订购信息
  • 下载
型号:YZ02510-100ALCPU132-95A 4寸越障 
胎面材质:聚氨酯(CPU)
胎面颜色:黑色
胎面硬度:95 ShoreA ±3
轮毂材质:铝合金6061
轮毂表面处理:
负载力:100KGS
轮径:100MM
轮宽:23MM
轮毂宽度:23MM
耐温性:-25°C-70°C
滚动阻力:■■■□□
行走噪音:■□□□□
保护地面:■■■■□
轴承种类:深沟球/推力球
轴承规格型号:6202/6002

资料整理中...
x